動画で見る製品・技術情報
ワイドなY軸ストロークと優れた作業性の両立
中・大物加工に最適な加工領域
Y軸ストローク 1,050mm
中大物部品加工や大型プラスチック金型加工に800mmのテーブル、
1,050mmのY軸ストローク
面積生産性 クラス最高
- X軸ストローク : 1,600mm
- Y軸ストローク : 1,050mm
- テーブルサイズ : 1,600×800mm

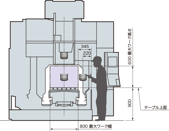
テーブル・主軸への抜群な接近性で優れた
作業性を実現
テーブル・主軸への接近性
- 主軸への寄り付き : 220mm
- テーブルへの寄り付き: 345mm
- テーブル高さ : 900mm
- 前面ドア開口幅 : 1,620mm
最大ワーク
- 最大ワーク寸法 :長さ1,600、幅800、高さ600mm
- 最大積載質量 :2,500kg

金型や半導体製造装置部品を高能率に加工
一般機械部品から金型・アルミなど、幅広くマッチする主軸ラインナップ
広域主軸 (No.40)
一般機械部品の高能率加工向け
- 主軸回転速度 :15,000min-1
- 最大出力:26/18.5kW(10分/連続)
- 最大トルク:199/146N・m(5分/連続)
| 工具 | 主軸回転速度 min-1 | 切削速度 m/min | 送り速度 mm/min | 切削幅 mm | 切込量 mm | 切削量 cm3/min |
| ø100正面フライス 5枚刃(超硬) | 955 | 300 | 1,429 | 70 | 4 | 400 |
| スローアウェイドリル ø50 | 606 | 95 | 90.9 | – | – | – |
| タップ M30P3.5 | 240 | 23 | 840 | – | – | 84%(主軸負荷) |
※表は左右にスクロールします
(被削材:S45C)
| 工具 | 主軸回転速度 min-1 | 切削速度 m/min | 送り速度 mm/min | 切削幅 mm | 切込量 mm | 切削量 cm3/min |
| ø63正面フライス 5枚刃(超硬) | 15,000 | 2,969 | 8,523 | 44 | 4 | 1,500 |
※表は左右にスクロールします
(被削材:A5052)
高速主軸 (No.40)
アルミ加工を主とした高速主軸(特別仕様)
- 主軸回転速度 :20,000min-1
- 最大出力:30/22kW(10分/連続)
- 最大トルク:57/42N・m(10分/連続)
強力主軸 (No.40・No.50 ころ軸受仕様)
金型の荒・仕上げ完結加工(特別仕様)
- 主軸回転速度 :12,000min-1
- 最大出力:33/26kW(10分/連続)
- 最大トルク:302/148N・m(10%ED/連続)
| 工具 | 主軸回転速度 min-1 | 切削速度 m/min | 送り速度 mm/min | 切削幅 mm | 切込量 mm | 切削量 cm3/min |
| ø100正面フライス 5枚刃(超硬) | 955 | 300 | 1,910 | 70 | 5 | 669 |
| ø20エンドミル 7枚刃(超硬) | 4,000 | 251 | 9,520 | 20 | 3.7 | 704 |
※表は左右にスクロールします
(No.50主軸、被削材:S45C)


長時間無人運転への対応
大量のアルミ切粉も一掃する切粉処理
- 幅広機内コンベヤ
- クロスレールシャワー洗浄
- 切粉堆積のない機内カバー垂直構造

大量の切粉もスムーズに排出

“温度変化を受け入れる”独自の考え方
サーモフレンドリーコンセプト
独自の構造設計と熱変位制御技術により、驚異的な加工精度を実現する「サーモフレンドリーコンセプト」
わずらわしい寸法補正や暖機運転から開放され、長時間の連続運転や工場温度環境の変化にも抜群の寸法安定性を発揮します。
金型の高面品位加工を実現
Hyper-Surface(特別仕様)
加工データをNCが自動で補整、手間なく金型の面品位を向上
CAMによる加工データの修正不要。スジ目やエッジの不揃いを低減して、加工面品位を向上し、手仕上げ磨き工程の時間を削減します。
従来のSuper-NURBSによる曲線適応加速度制御に加え、Hyper-Surfaceの新機能により、CAMから出力された加工データのエッジ部や
隣接する加工パス間の位置ズレを、形状精度を保持しつつ、自動で補整します。
基本情報
| 項目 | 単位 | MB-80V |
| テーブルサイズ | mm | 1,600×800 |
| 主軸回転速度 | min-1 | 15,000/12,000 |
| 工具収納本数 | 本 | 32 |
| 主電動機 | kW | 26/18.5(10分/連続)、33/26(10分/連続) |
| 機械の大きさ (W×D×H) | mm | 4,500×2,970×3,320 |
※表は左右にスクロールします
カタログダウンロード
機械仕様や製品の特長・搭載機能を製品カタログで詳しくご案内しています!
以下の入力フォームに必要事項をご記入の上、送信していただくと、ご記入いただいたメールアドレス宛に、カタログダウンロード用のURLをお送りします。














